AG旗舰厅
首 页
走进AG旗舰厅
新闻通告
产品先容
乐成案例
手艺与研究
联系AG旗舰厅
搜索
热线:0813-6280463
Menu
搜索
热线:0813-6280463
首 页
走进AG旗舰厅
新闻通告
产品先容
乐成案例
手艺与研究
联系AG旗舰厅
新闻通告
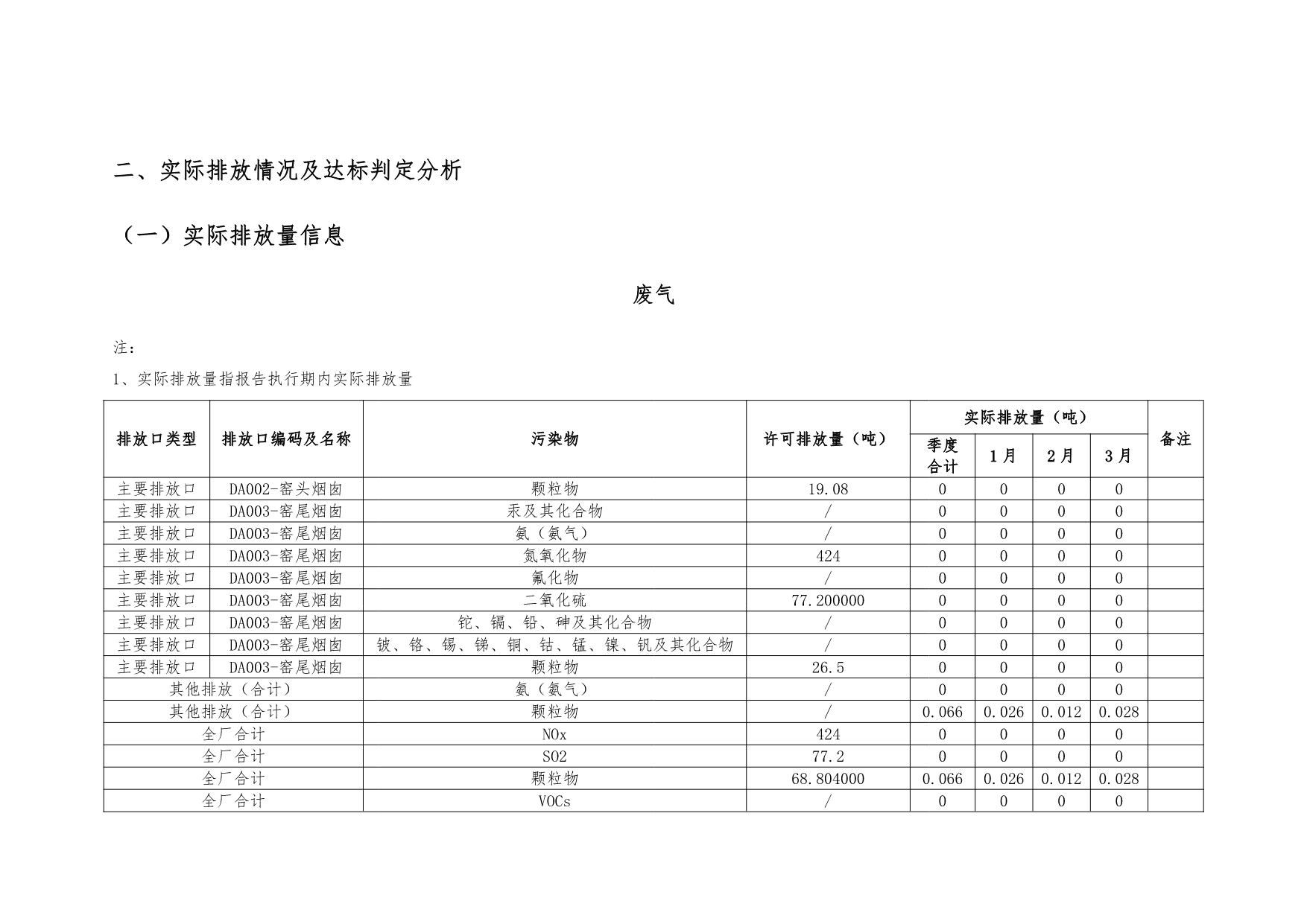
2025年第1季排污允许证执行报告
泉源:未知 时间:2025-04-14 20:11 浏览次数:次
上一篇:
AG旗舰厅2025年四序度自行监测数据
下一篇:
2025年第2季排污允许证执行报告
网站地图